• 榴莲视频成人APP,榴莲视频在线观看网站视频下载观看,榴莲视频免费下载,榴莲视频官网入口

    產品中心

    product center

    Q係列內齒型榴莲视频在线观看网站视频下载观看

    • 產品名稱: Q係列內齒型榴莲视频在线观看网站视频下载观看
    • 產品分類: 榴莲视频官网入口(Q係列)
    • 聯係方式: 0535-8331991
    • 公司名稱: 招遠市榴莲视频成人APP機械製造有限公司
    • 公司地址:山東省招遠市開發區河東路999號
    • 添加時間: 19/08/21
    產品詳情

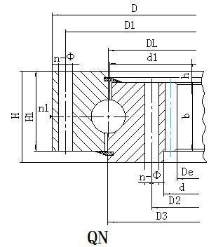
    榴莲视频官网入口回轉支承(Q係列)——內齒式
    結構特點、性能、適用範圍 
    榴莲视频官网入口回轉支承由兩個座圈組成,結構緊湊,重量輕,鋼球與圓弧滾道四點接觸,能同時承受軸向力,徑向力和傾翻力矩,回轉式輸送機,焊接操作機,中小型起重機和挖掘機等工程機械均可選用。

    序號

    型號

     

    安裝孔尺寸

    結構
    尺寸

    齒輪參數

    內齒式

    H

    Du

    Dn

    n

    通孔A

    螺孔B/C/D

    n1油杯
    數量

    h

    B

    m

    內齒式x=+0.5

    de

    齒數z

    重量

    D

    d

    φ

    d1

    T

     

     

    mm

     

    mm

    mm

    mm

     

    kg

    1

    QN.315.20

    408

    224

    60

    370

    260

    10

    17

    M16

    24

    2

    10

    40

    3

    207

    70

    34

    QN.315.20A

    4

    200

    51

    35

    2

    QN.355.20

    448

    264

    60

    410

    300

    10

    17

    M16

    24

    2

    10

    40

    3

    246

    84

    39

    QN.355.20A

    4

    240

    61

    40

    3

    QN.400.20

    493

    310

    60

    455

    345

    12

    17

    M16

    24

    2

    10

    40

    4

    288

    73

    44

    QN.400.20A

    5

    280

    57

    46

    4

    QN.450.20

    543

    360

    60

    505

    395

    12

    17

    M16

    24

    2

    10

    40

    4

    336

    85

    50

    QN.450.20A

    5

    330

    67

    52

    5

    QN.500.20

    593

    410

    60

    555

    445

    14

    17

    M16

    24

    2

    10

    40

    5

    385

    78

    55

    QN.500.20A

    6

    378

    64

    57

    6

    QN.560.20

    656

    468

    70

    618

    502

    14

    17

    M16

    30

    2

    10

    50

    4

    440

    111

    76

    QN.560.20A

    5

    435

    88

    77

    7

    QN.630.20

    726

    538

    70

    688

    572

    16

    17

    M16

    30

    2

    10

    50

    4

    512

    129

    84

    QN.630.20A

    5

    505

    102

    86

    8

    QN.710.20

    806

    618

    70

    768

    652

    18

    17

    M16

    30

    2

    10

    50

    5

    585

    118

    97

    QN.710.20A

    6

    582

    98

    97

    9

    QN.800.20

    896

    708

    70

    858

    742

    20

    17

    M16

    30

    2

    10

    50

    6

    672

    113

    110

    QN.800.20A

    8

    664

    84

    111

    10

    QN.800.25

    908

    694

    78

    864

    736

    18

    22

    M20

    36

    2

    10

    58

    6

    654

    110

    142

    QN.800.25A

    8

    648

    82

    142

    11

    QN.900.25

    1008

    794

    78

    964

    836

    20

    22

    M20

    36

    2

    10

    58

    8

    744

    94

    163

    QN.900.25A

    10

    740

    75

    162

    12

    QN.1000.25

    1108

    894

    78

    1064

    936

    24

    22

    M20

    36

    2

    10

    58

    8

    848

    107

    178

    QN.1000.25A

    10

    840

    85

    179

    13

    QN.1000.32

    1124

    880

    90

    1074

    926

    24

    24

    M22

    40

    2

    10

    70

    8

    832

    105

    230

    QN.1000.32A

    10

    830

    84

    227

    14

    QN.1120.32

    1244

    1000

    90

    1194

    1046

    28

    24

    M22

    40

    4

    10

    70

    10

    940

    95

    263

    QN.1120.32A

    12

    936

    79

    262

    15

    QN.1250.32

    1374

    1130

    90

    1324

    1176

    32

    24

    M22

    40

    4

    10

    70

    10

    1070

    108

    294

    QN.1250.32A

    12

    1068

    90

    290

    16

    QN.1400.32

    1524

    1280

    90

    1474

    1326

    36

    24

    M22

    40

    4

    10

    70

    12

    1212

    102

    333

    QN.1400.32A

    14

    1204

    87

    336

    17

    QN.1250.40

    1394

    1110

    102

    1336

    1164

    32

    26

    M24

    45

    4

    12

    80

    10

    1050

    106

    388

    QN.1250.40A

    12

    1044

    88

    388

    18

    QN.1400.40

    1544

    1260

    102

    1486

    1314

    36

    26

    M24

    45

    4

    12

    80

    12

    1188

    100

    444

    QN.1400.40A

    14

    1190

    86

    434

    19

    QN.1600.40

    1744

    1460

    102

    1686

    1514

    40

    26

    M24

    45

    4

    12

    80

    12

    1392

    117

    509

    QN.1600.40A

    14

    1386

    100

    511

    20

    QN.1800.40

    1944

    1660

    102

    1886

    1714

    44

    26

    M24

    45

    4

    12

    80

    14

    1582

    114

    576

    QN.1800.40A

    16

    1568

    99

    591

    21

    QN.1600.50

    1766

    1438

    124

    1704

    1496

    40

    30

    M27

    50

    4

    12

    100

    12

    1368

    115

    714

    QN.1600.50A

    14

    1358

    98

    723

    22

    QN.1800.50

    1966

    1638

    124

    1904

    1696

    44

    30

    M27

    50

    4

    12

    100

    14

    1568

    113

    794

    QN.1800.50A

    16

    1552

    98

    818

    23

    QN.2000.50

    2166

    1842

    124

    2104

    1896

    48

    30

    M27

    50

    6

    12

    100

    16

    1760

    111

    891

    QN.2000.50A

    18

    1746

    98

    913

    24

    QN.2240.50

    2406

    2078

    124

    2344

    2136

    54

    30

    M27

    50

    6

    12

    100

    16

    1984

    125

    1044

    QN.2240.50A

    18

    1980

    111

    1041

    25

    QN.2500.50

    2666

    2342

    124

    2604

    2396

    60

    30

    M27

    50

    6

    12

    100

    18

    2250

    126

    1132

    QN.2500.50A

    20

    2240

    113

    1148

    26

    QN.2500.60

    2696

    2308

    150

    2626

    2374

    60

    33

    M30

    56

    6

    14

    122

    18

    2214

    124

    1621

    QN.2500.60A

    20

    2200

    111

    1654

    注: 
    1、n1為潤滑油孔數,均布:油杯M10×1 JB/T7940.1-JB/T7940.2
    2、安裝孔n-Φ可改用螺孔;齒寬b可改為H-h。
    3、表內齒輪圓周力為大圓周力,額定圓周力取其1/2。


    點擊次數:   更新時間:19/08/21 15:39:08  

    網站地圖 |  免責聲明

    城市分站: 主站   廣東   北京   天津   馬鞍山   山東   江蘇   徐州   成都   四川   
    網站地圖